Работа двигателя зил 130

Мотор зил 130. Система смазки двигателя зил 130. Термостат системы охлаждения двигателей зил - 130. Работа двигателя зил 130. Секции в масляном насосе зил 130.
Мотор зил 130. Система смазки двигателя зил 130. Термостат системы охлаждения двигателей зил - 130. Работа двигателя зил 130. Секции в масляном насосе зил 130.
Двс зил 130 технические характеристики. Масляная система двс зил 130. Работа двигателя зил 130. Работа двигателя зил 130. Двигатель зил 130 технические характеристики.
Двс зил 130 технические характеристики. Масляная система двс зил 130. Работа двигателя зил 130. Работа двигателя зил 130. Двигатель зил 130 технические характеристики.
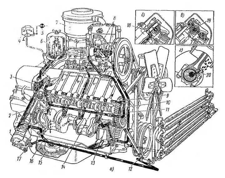
Масляные каналы в блоке цилиндров зил 130. Двигатель зил 130 в разрезе. Система смазки двс зил 130. Двигатель зил 130 описание. Продольный разрез двигателя камаз 740.
Масляные каналы в блоке цилиндров зил 130. Двигатель зил 130 в разрезе. Система смазки двс зил 130. Двигатель зил 130 описание. Продольный разрез двигателя камаз 740.
Работа двигателя зил 130. Работа двигателя зил 130. Двигатель зил 130 картер. Двигатель зил 130 турбо. Работа двигателя зил 130.
Работа двигателя зил 130. Работа двигателя зил 130. Двигатель зил 130 картер. Двигатель зил 130 турбо. Работа двигателя зил 130.
Двигатель автомобиля зил 130. Конструкция двигателя зил 131. Циркуляция охлаждающей жидкости зил 130. Система охлаждения двигателя зил 130 схема. Система смазки двигателя зил 130 схема.
Двигатель автомобиля зил 130. Конструкция двигателя зил 131. Циркуляция охлаждающей жидкости зил 130. Система охлаждения двигателя зил 130 схема. Система смазки двигателя зил 130 схема.
Работа двигателя зил 130. Двигатель зил 130 характеристики двигателя. Двигатель поперечный разрез двигателя зил 131 разрез. Двс зил 130. Продольный разрез двигателя камаз-740.
Работа двигателя зил 130. Двигатель зил 130 характеристики двигателя. Двигатель поперечный разрез двигателя зил 131 разрез. Двс зил 130. Продольный разрез двигателя камаз-740.
Двигатель зил 131 130. Система смазки зил 130 схема. Работа двигателя зил 130. Работа двигателя зил 130. Подогреватель двс на зил 130.
Двигатель зил 131 130. Система смазки зил 130 схема. Работа двигателя зил 130. Работа двигателя зил 130. Подогреватель двс на зил 130.
Двигатель зил 131 в разрезе. Работа двигателя зил 130. Двигатель зил 130 масляный насос. Система охлаждения двигателя зил 130. Работа двигателя зил 130.
Двигатель зил 131 в разрезе. Работа двигателя зил 130. Двигатель зил 130 масляный насос. Система охлаждения двигателя зил 130. Работа двигателя зил 130.
Работа двигателя зил 130. Двигатель зил 130 конструкция. Система смазки двигателя зил-130 масляный насос. Охлаждающая система зил 130. Система смазки компрессора на двс зил 130.
Работа двигателя зил 130. Двигатель зил 130 конструкция. Система смазки двигателя зил-130 масляный насос. Охлаждающая система зил 130. Система смазки компрессора на двс зил 130.
10. Работа двигателя зил 130. Клапаны системы смазки двигателя зил 130. Масляный насос зил 130 схема. Бензиновый двигатель зил 130.
10. Работа двигателя зил 130. Клапаны системы смазки двигателя зил 130. Масляный насос зил 130 схема. Бензиновый двигатель зил 130.
Масляные каналы двигателя зил 130. Редукционный клапан масляного насоса зил 130. Система охлаждения зил 131. Двигатель змз 402 продольный разрез. Масляная система двигателя зил 130.
Масляные каналы двигателя зил 130. Редукционный клапан масляного насоса зил 130. Система охлаждения зил 131. Двигатель змз 402 продольный разрез. Масляная система двигателя зил 130.
Работа двигателя зил 130. Двигатель зил 130. Система смазки мотор зил 130. Система охлаждения двигателя зил 130. Пусковой подогреватель зил 130.
Работа двигателя зил 130. Двигатель зил 130. Система смазки мотор зил 130. Система охлаждения двигателя зил 130. Пусковой подогреватель зил 130.
Кшм двигателя зил-130. Клапаны системы смазки двигателя зил 130. Вентиляция картера зил 130. Работа двигателя зил 130. Двигатель зил 130 в разрезе.
Кшм двигателя зил-130. Клапаны системы смазки двигателя зил 130. Вентиляция картера зил 130. Работа двигателя зил 130. Двигатель зил 130 в разрезе.
Масляная система двс зил 130. Двигатель зил 130 устройство. Конструкция мотора зил 130. Двигатель зил 130 масляный насос. Двигатель внутреннего сгорания зил 130.
Масляная система двс зил 130. Двигатель зил 130 устройство. Конструкция мотора зил 130. Двигатель зил 130 масляный насос. Двигатель внутреннего сгорания зил 130.
Работа двигателя зил 130. Марка двигателя зил 130. Двигатель зил 130 конструкция. Работа двигателя зил 130. Двигатель зил 130 двигатель.
Работа двигателя зил 130. Марка двигателя зил 130. Двигатель зил 130 конструкция. Работа двигателя зил 130. Двигатель зил 130 двигатель.
Система смазки двигателя зил 130. Марка двигателя зил 130. Мотор зил 130. Система вентиляции картера двигателя зил 131. Габариты двигателя зил 130.
Система смазки двигателя зил 130. Марка двигателя зил 130. Мотор зил 130. Система вентиляции картера двигателя зил 131. Габариты двигателя зил 130.
Двигатель зил 130 устройство. Работа двигателя зил 130. Двигатель зил 130 масляный насос. Система смазки двс зил 130. Двс зил 130 в разрезе.
Двигатель зил 130 устройство. Работа двигателя зил 130. Двигатель зил 130 масляный насос. Система смазки двс зил 130. Двс зил 130 в разрезе.
Двигатель зил 130. Зил 131 двигатель чертеж. Двигатель зил 130 конструкция. Двигатель зил 130 чертеж. Пусковой подогреватель двигателя автомобиля зил-130.
Двигатель зил 130. Зил 131 двигатель чертеж. Двигатель зил 130 конструкция. Двигатель зил 130 чертеж. Пусковой подогреватель двигателя автомобиля зил-130.
Смазка двигателя зил 130. Двигатель зил 130. Предпусковой подогреватель двигателя зил 130. Система смазки двигателя зил 130. Работа двигателя зил 130.
Смазка двигателя зил 130. Двигатель зил 130. Предпусковой подогреватель двигателя зил 130. Система смазки двигателя зил 130. Работа двигателя зил 130.
Охлаждение двигателя зил 130. Работа двигателя зил 130. Масляная система двс зил 130. Пусковой подогреватель зил 130. Работа двигателя зил 130.
Охлаждение двигателя зил 130. Работа двигателя зил 130. Масляная система двс зил 130. Пусковой подогреватель зил 130. Работа двигателя зил 130.