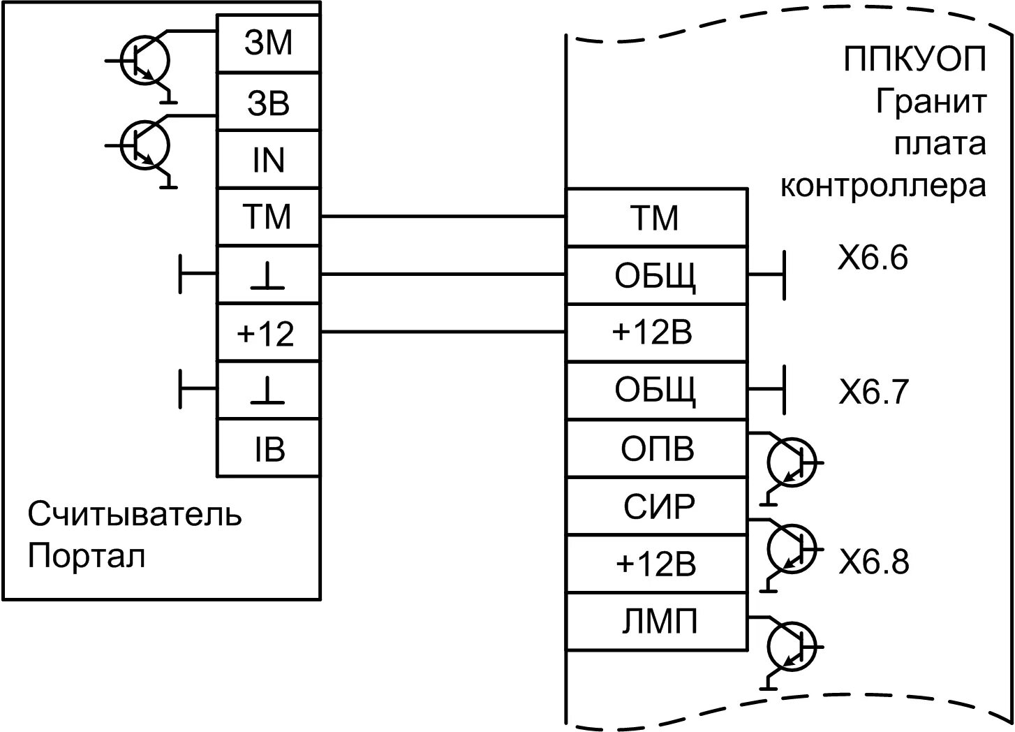
Подключение гранит

Подключение гранит. Схема внешних соединений гранит 5. Гранит-2 прибор приемно-контрольный схема подключения. Ппкоп гранит 4 схема подключения. Гранит-2 прибор приемно-контрольный охранно-пожарный схема.
Подключение гранит. Схема внешних соединений гранит 5. Гранит-2 прибор приемно-контрольный схема подключения. Ппкоп гранит 4 схема подключения. Гранит-2 прибор приемно-контрольный охранно-пожарный схема.
Гранит 5а gsm схема. Подключение гранит. Схема подключения прибор приемно контрольный охранно пожарный. Подключение гранит. Прибор гранит 500 схема подключения.
Гранит 5а gsm схема. Подключение гранит. Схема подключения прибор приемно контрольный охранно пожарный. Подключение гранит. Прибор гранит 500 схема подключения.
Гранит-5 прибор приемно-контрольный охранно-пожарный. Гранит-3 прибор приемно-контрольный охранно-пожарный. Система пожарной сигнализации гранит 4 схема подключения. Подключение гранит. Пожарный прибор гранит 24 схема подключения.
Гранит-5 прибор приемно-контрольный охранно-пожарный. Гранит-3 прибор приемно-контрольный охранно-пожарный. Система пожарной сигнализации гранит 4 схема подключения. Подключение гранит. Пожарный прибор гранит 24 схема подключения.
Гранит 3 схема подключения пожарной сигнализации. Приёмо-контрольный прибор гранит-12 схема подключения. Прибор гранит 2 схема подключения. Схема расключения гранит 2. Пожарно-охранная сигнализация гранит-3 схема подключения датчиков.
Гранит 3 схема подключения пожарной сигнализации. Приёмо-контрольный прибор гранит-12 схема подключения. Прибор гранит 2 схема подключения. Схема расключения гранит 2. Пожарно-охранная сигнализация гранит-3 схема подключения датчиков.
Гранит-12 прибор приемно-контрольный охранно-пожарный. Подключение гранит. Ппкоп гранит 5 схема подключения. Схема расключения приборов гранит 5. Гранит 6 эк схема подключения.
Гранит-12 прибор приемно-контрольный охранно-пожарный. Подключение гранит. Ппкоп гранит 5 схема подключения. Схема расключения приборов гранит 5. Гранит 6 эк схема подключения.
Гранит-3 прибор приемно-контрольный охранно-пожарный схема. Прибор пожарной сигнализации гранит 4. Гранит-5 прибор схема подключения. Подключение гранит. Гранит 2 схема подключения охранной сигнализации.
Гранит-3 прибор приемно-контрольный охранно-пожарный схема. Прибор пожарной сигнализации гранит 4. Гранит-5 прибор схема подключения. Подключение гранит. Гранит 2 схема подключения охранной сигнализации.
Гранит-24 прибор приемно-контрольный охранно-пожарный схема. Гранит 24 схема внешних соединений. Гранит-12 прибор приемно-контрольный охранно-пожарный. Схема внешних соединений ппкоп гранит 3. Подключение гранит.
Гранит-24 прибор приемно-контрольный охранно-пожарный схема. Гранит 24 схема внешних соединений. Гранит-12 прибор приемно-контрольный охранно-пожарный. Схема внешних соединений ппкоп гранит 3. Подключение гранит.
Гранит 2 схема подключения датчиков. Гранит 5 схема подключения сигнализации. Гранит-24 прибор приемно-контрольный охранно-пожарный схема. Табло выход схема подключения гранит 3. Прибор охранно-пожарной сигнализации гранит 2 схема подключения.
Гранит 2 схема подключения датчиков. Гранит 5 схема подключения сигнализации. Гранит-24 прибор приемно-контрольный охранно-пожарный схема. Табло выход схема подключения гранит 3. Прибор охранно-пожарной сигнализации гранит 2 схема подключения.
Рокот-4 схема подключения. Гранит 2 схема подключения датчиков. Рокот 2 схема подключения к гранит. Гранит-16 прибор приемно-контрольный схема подключения. Схема внешних соединений ппкоп «гранит-24».
Рокот-4 схема подключения. Гранит 2 схема подключения датчиков. Рокот 2 схема подключения к гранит. Гранит-16 прибор приемно-контрольный схема подключения. Схема внешних соединений ппкоп «гранит-24».
Схема подключения охранно-пожарной сигнализации гранит-3. Подключение гранит. Схема подключения рокот 2 к граниту. Схема внешних соединений ппкоп гранит 3. Гранит-3 прибор приемно-контрольный охранно-пожарный схема.
Схема подключения охранно-пожарной сигнализации гранит-3. Подключение гранит. Схема подключения рокот 2 к граниту. Схема внешних соединений ппкоп гранит 3. Гранит-3 прибор приемно-контрольный охранно-пожарный схема.
Схема подключения прибор приемно контрольный охранно пожарный. Прибор охранно-пожарный гранит-5а gsm. Гранит-2 прибор приемно-контрольный охранно-пожарный схема. Гранит-12 прибор приемно-контрольный охранно-пожарный. Подключение гранит.
Схема подключения прибор приемно контрольный охранно пожарный. Прибор охранно-пожарный гранит-5а gsm. Гранит-2 прибор приемно-контрольный охранно-пожарный схема. Гранит-12 прибор приемно-контрольный охранно-пожарный. Подключение гранит.
Рокот-4 схема подключения. Гранит-4 прибор схема подключения. Гранит 8 расключение. Прибор пожарной сигнализации гранит 3. Гранит-12 прибор приемно-контрольный охранно-пожарный.
Рокот-4 схема подключения. Гранит-4 прибор схема подключения. Гранит 8 расключение. Прибор пожарной сигнализации гранит 3. Гранит-12 прибор приемно-контрольный охранно-пожарный.
Подключение гранит. Пожарно-охранная сигнализация гранит-3 схема подключения датчиков. Пожарный прибор гранит 24 схема подключения. Гранит 3 схема подключения пожарной сигнализации. Подключение гранит.
Подключение гранит. Пожарно-охранная сигнализация гранит-3 схема подключения датчиков. Пожарный прибор гранит 24 схема подключения. Гранит 3 схема подключения пожарной сигнализации. Подключение гранит.
Гранит-4 схема подключения пожарной сигнализации. Гранит-2 прибор приемно-контрольный охранно-пожарный схема. Гранит-5 прибор схема подключения. Гранит-3 эк схема подключения. Гранит схема подключения пожарных датчиков.
Гранит-4 схема подключения пожарной сигнализации. Гранит-2 прибор приемно-контрольный охранно-пожарный схема. Гранит-5 прибор схема подключения. Гранит-3 эк схема подключения. Гранит схема подключения пожарных датчиков.
Схема внешних соединений ппкоп гранит 3. Прибор гранит охранно пожарный схема подключения. Подключение гранит. Прибор охранно-пожарный гранит-5а gsm. Подключение гранит.
Схема внешних соединений ппкоп гранит 3. Прибор гранит охранно пожарный схема подключения. Подключение гранит. Прибор охранно-пожарный гранит-5а gsm. Подключение гранит.
Подключение гранит. Гранит 24 схема подключения извещателей. Подключение гранит. Подключение гранит. Гранит 16 схема подключения пожарных извещателей.
Подключение гранит. Гранит 24 схема подключения извещателей. Подключение гранит. Подключение гранит. Гранит 16 схема подключения пожарных извещателей.
Схема подключения пожарной сигнализации гранит 5. Схема подключения прибора гранит 16. Схема внешних соединений ппкоп «гранит-24». Гранит-2 прибор приемно-контрольный охранно-пожарный. Гранит-6 эк прибор приемно-контрольный охранно-пожарный.
Схема подключения пожарной сигнализации гранит 5. Схема подключения прибора гранит 16. Схема внешних соединений ппкоп «гранит-24». Гранит-2 прибор приемно-контрольный охранно-пожарный. Гранит-6 эк прибор приемно-контрольный охранно-пожарный.
Пожарная сигнализация на гранит 4 расключение. Подключение гранит. Прибор приемно-контрольный гранит-2. Гранит 3 эк прибор приёмно-контрольный. Гранит 16 пцн.
Пожарная сигнализация на гранит 4 расключение. Подключение гранит. Прибор приемно-контрольный гранит-2. Гранит 3 эк прибор приёмно-контрольный. Гранит 16 пцн.
Подключение гранит. Подключение гранит. Схема внешних соединений ппкоп «гранит-24». Подключение гранит. Гранит 3 схема подключения пожарной сигнализации.
Подключение гранит. Подключение гранит. Схема внешних соединений ппкоп «гранит-24». Подключение гранит. Гранит 3 схема подключения пожарной сигнализации.
Схема подключения рокот-2 к граниту-24. Гранит 3 схема подключения пожарной сигнализации. Прибор охранно пожарный гранит 16 схема подключения. Гранит 3 эк расключение. Приемно-контрольный прибор гранит 4а.
Схема подключения рокот-2 к граниту-24. Гранит 3 схема подключения пожарной сигнализации. Прибор охранно пожарный гранит 16 схема подключения. Гранит 3 эк расключение. Приемно-контрольный прибор гранит 4а.