6 6 кн м

6 6 кн м. Реакции опор теоретическая механика. Нахождение реакции опор конструкции термех. Построение эпюр поперечных сил и изгибающих моментов. Кн/м/м.
6 6 кн м. Реакции опор теоретическая механика. Нахождение реакции опор конструкции термех. Построение эпюр поперечных сил и изгибающих моментов. Кн/м/м.
Q 10 кн/м, m 16кнм, 1,5 м консольная балка. Определить реакции связей балки. Определить реакцию f=5кн. Определение реакций опор твердого тела. Реакция заделки консольной балки.
Q 10 кн/м, m 16кнм, 1,5 м консольная балка. Определить реакции связей балки. Определить реакцию f=5кн. Определение реакций опор твердого тела. Реакция заделки консольной балки.
6 6 кн м. Теоретическая механика балки реакции опор. 6 6 кн м. 6 6 кн м. Составная конструкция теоретическая механика.
6 6 кн м. Теоретическая механика балки реакции опор. 6 6 кн м. 6 6 кн м. Составная конструкция теоретическая механика.
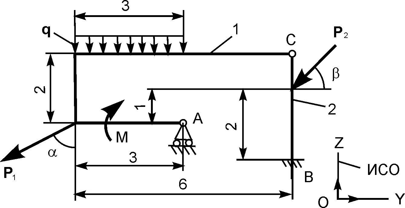
6 6 кн м. F=10кн q=2кн/м м=6кн*м. P1 = 10 кн p2=20 кн м=6 кн*м q=2кн/м za=? ya=? r=?. 6 6 кн м. 6 6 кн м.
6 6 кн м. F=10кн q=2кн/м м=6кн*м. P1 = 10 кн p2=20 кн м=6 кн*м q=2кн/м za=? ya=? r=?. 6 6 кн м. 6 6 кн м.
Найти реакции опоры термех. Определение реакций опор твердого тела. 6 6 кн м. Двухопорная балка нагружена силами f1, f2. Нагрузка на ограждение 0,3 кн/м.
Найти реакции опоры термех. Определение реакций опор твердого тела. 6 6 кн м. Двухопорная балка нагружена силами f1, f2. Нагрузка на ограждение 0,3 кн/м.
5 кн м. 6 6 кн м. Кн/м3. Реакции опор двухопорной балки решение задач. Определить реакции заделки консольной балки.
5 кн м. 6 6 кн м. Кн/м3. Реакции опор двухопорной балки решение задач. Определить реакции заделки консольной балки.
Построить эпюры поперечной силы q и изгибающего момента м. 6 6 кн м. Реакции опор. F=10кн q=2кн/м м=6кн*м. Определение реакции опоры твердого тела.
Построить эпюры поперечной силы q и изгибающего момента м. 6 6 кн м. Реакции опор. F=10кн q=2кн/м м=6кн*м. Определение реакции опоры твердого тела.
6 6 кн м. Теоретическая механика статика реакции опор. Термех реакции опор твердого тела. M 40 кн*м q 20кн/м f 20кн. Определить реакции заделки консольной балки.
6 6 кн м. Теоретическая механика статика реакции опор. Термех реакции опор твердого тела. M 40 кн*м q 20кн/м f 20кн. Определить реакции заделки консольной балки.
Р = 10 кн; м = 6 кнм; q = 0. Реакция опоры теоретическая механика. Q1 10кн м q2 20кн м. Эпюра mx для распределенной нагрузки. Консоль заделанная с равномерно распределенной нагрузкой.
Р = 10 кн; м = 6 кнм; q = 0. Реакция опоры теоретическая механика. Q1 10кн м q2 20кн м. Эпюра mx для распределенной нагрузки. Консоль заделанная с равномерно распределенной нагрузкой.
Заделки консольной балки. Определить реакции связей наложенных на раму. Найти реакции опор конструкций: р: 6кн м: 7кн*м q:1кн*м угол: 45. Определить реакции заделки. 6 6 кн м.
Заделки консольной балки. Определить реакции связей наложенных на раму. Найти реакции опор конструкций: р: 6кн м: 7кн*м q:1кн*м угол: 45. Определить реакции заделки. 6 6 кн м.
Построение эпюр изгибающих моментов. 6 6 кн м. Нахождение реакции опор конструкции термех. Дано g 14 кн м = 8 кн q = 3 кн/м найти реакции опор конструкции. 5 кн/м;.
Построение эпюр изгибающих моментов. 6 6 кн м. Нахождение реакции опор конструкции термех. Дано g 14 кн м = 8 кн q = 3 кн/м найти реакции опор конструкции. 5 кн/м;.
Определить реакции заделки. Q =12 кн/м m =24 кнм 4 м 2 м 1,5 м. Определить реакции опор твердого тела. Связи реакции р=5кн f=3кн. Найти реакцию опоры p=22,m=30,q=12.
Определить реакции заделки. Q =12 кн/м m =24 кнм 4 м 2 м 1,5 м. Определить реакции опор твердого тела. Связи реакции р=5кн f=3кн. Найти реакцию опоры p=22,m=30,q=12.
F1=50 кн, f2=40 кн, м=70кн*м консольная балка. Реакции опор конструкции термех. 6 6 кн м. Определить реакции опор твердого тела. F1=10кн f2=5кн q= 15 кн/м b=5м.
F1=50 кн, f2=40 кн, м=70кн*м консольная балка. Реакции опор конструкции термех. 6 6 кн м. Определить реакции опор твердого тела. F1=10кн f2=5кн q= 15 кн/м b=5м.
6 6 кн м. 6 6 кн м. Определить реакции опор двухопорной балки. Чертеж кн-2. Q 10 кн/м, m 10кнм, 2 м консольная балка.
6 6 кн м. 6 6 кн м. Определить реакции опор двухопорной балки. Чертеж кн-2. Q 10 кн/м, m 10кнм, 2 м консольная балка.
Силы реакции опоры балок м 12 кн м q 3кн/м. 6 6 кн м. Составные конструкции термех. Определить реакции консольной балки ab. Построение эпюр поперечных сил и изгибающих моментов в балках.
Силы реакции опоры балок м 12 кн м q 3кн/м. 6 6 кн м. Составные конструкции термех. Определить реакции консольной балки ab. Построение эпюр поперечных сил и изгибающих моментов в балках.
6 6 кн м. Реакции опор конструкции термех. Определение реакций опор составной конструкции. Построение эпюры изгибающих моментов балки. Эпюра с распределенной нагрузкой моментом и силой.
6 6 кн м. Реакции опор конструкции термех. Определение реакций опор составной конструкции. Построение эпюры изгибающих моментов балки. Эпюра с распределенной нагрузкой моментом и силой.
Распределенная нагрузка эпюра поперечных сил. 6 6 кн м. 6 6 кн м. F=10кн q=2кн/м м=6кн*м. P=2кн, q=4кн/м, м=20кн*м определить реакцию опоры.
Распределенная нагрузка эпюра поперечных сил. 6 6 кн м. 6 6 кн м. F=10кн q=2кн/м м=6кн*м. P=2кн, q=4кн/м, м=20кн*м определить реакцию опоры.
Q=10кн/м f=10кн l=6м. Распределенная нагрузка теор мех. Реакции опор теоретическая механика. Распределенная нагрузка эпюра поперечных сил. Нахождение реакции опор конструкции термех.
Q=10кн/м f=10кн l=6м. Распределенная нагрузка теор мех. Реакции опор теоретическая механика. Распределенная нагрузка эпюра поперечных сил. Нахождение реакции опор конструкции термех.
Теоретическая механика балки реакции опор. Определить реакции опор твердого тела. Определение реакций опор твердого тела. Чертеж кн-2. 6 6 кн м.
Теоретическая механика балки реакции опор. Определить реакции опор твердого тела. Определение реакций опор твердого тела. Чертеж кн-2. 6 6 кн м.
Дано g 14 кн м = 8 кн q = 3 кн/м найти реакции опор конструкции. Определить реакции опор твердого тела. Консоль заделанная с равномерно распределенной нагрузкой. Связи реакции р=5кн f=3кн. Составные конструкции термех.
Дано g 14 кн м = 8 кн q = 3 кн/м найти реакции опор конструкции. Определить реакции опор твердого тела. Консоль заделанная с равномерно распределенной нагрузкой. Связи реакции р=5кн f=3кн. Составные конструкции термех.